Логотип

СХЕМИ ЕЛЕКТРИЧНІ ПРИНЦИПОВІ

Послуги з електротехнічного проектування та інжинірингу в мережах 0,4кВ, 6(10)кВ, 35кВ - 330кВ.
Схеми електричні. Прокладка кабельних трас.
Заземлення та блискавкозахист будівель і споруд.

e-mail:   electrical.projects.73@gmail.com
  +38 (098) 499-02-47
  +38 (050) 133-03-50

НОРМАТИВНА ДОКУМЕНТАЦІЯ ТА ТИПИ ЕЛЕКТРИЧНИХ СХЕМ

Для будівель, споруд, інших об'єктів та установок виконаємо схеми електропостачання, електроосвітлення, управління, з'єднань і підключення згідно з наступними нормативними документами:
1. ДБН В.2.5-28:2018 "Природне і штучне освітлення";
2. ДСТУ Б А.2.4-24:2008 "СПДБ. Внутрішнє електричне освітлення. Робочі креслення";
3. ДСТУ Б А.2.4-18:2008 "СПДБ. Електричне освітлення території промислових підприємств. Робочі креслення";
4. ДСТУ Б А.2.4-21:2008 "СПДБ. Силове електрообладнання. Робочі креслення";
5. ДСТУ ГОСТ 2.702:2013 "ЕСКД. Правила выполнения электрических схем".

СХЕМИ ЕЛЕКТРОПОСТАЧАННЯ

Схема електрична живлення

СХЕМИ ЕЛЕКТРООСВІТЛЕННЯ

Схема електрична освітлення

СХЕМИ ПРИНЦИПОВІ

Схема електрична розподільча

СХЕМИ УПРАВЛІННЯ

Схема електрична управління

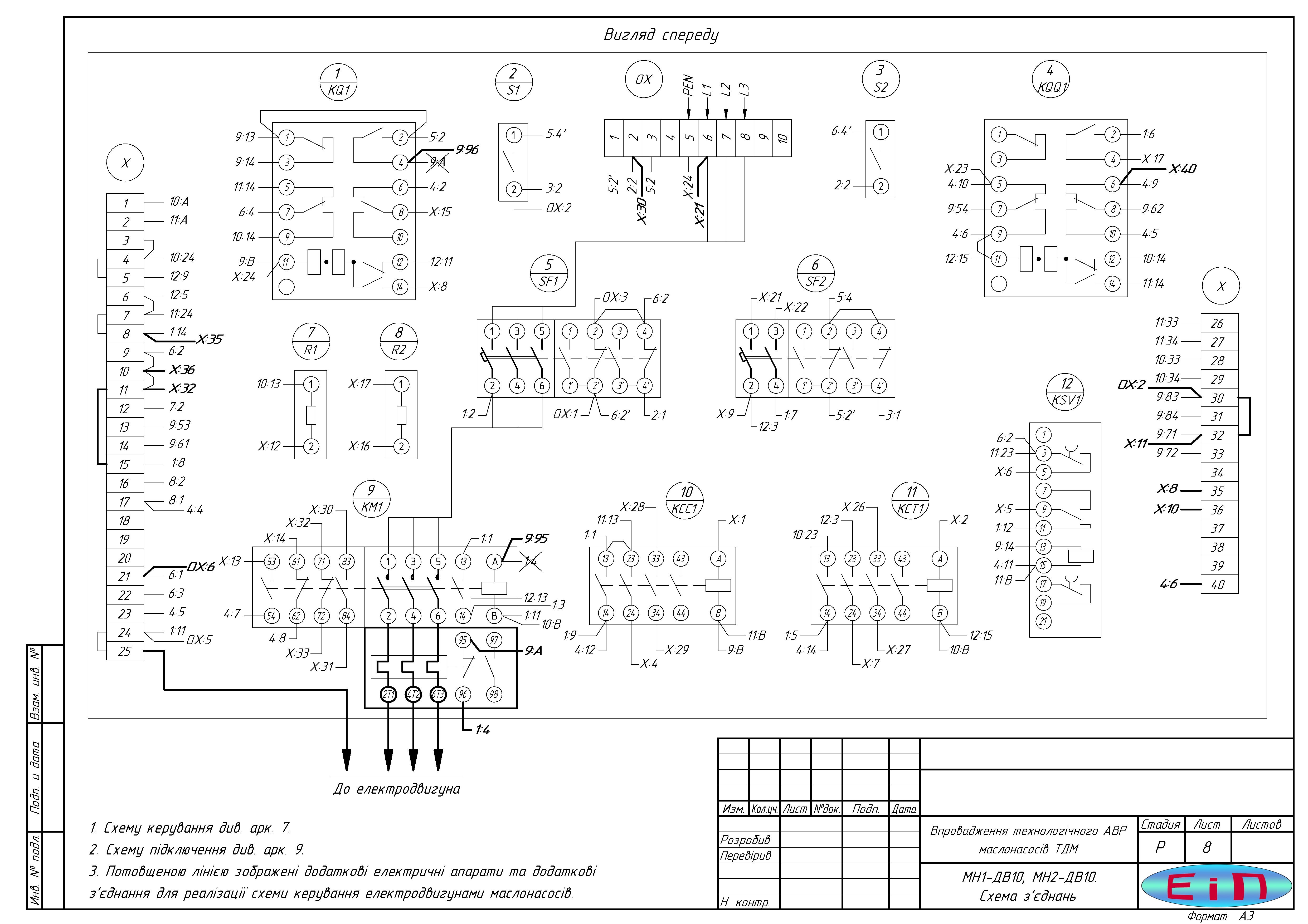
СХЕМИ З'ЄДНАНЬ

Схема електрична з'єднань

СХЕМИ ПІДКЛЮЧЕНЬ

Схема електрична підключення